Physics of Artificial Atoms and Molecules

Electric circuits made of superconducting components have become an inspirational playground for physicists. Physical theories, orginally developed to describe the phenomena in atoms and molecules, can now be tested in a mesoscopic length scale and in an extended range of parameters [1]. For example, by using superconducting Josephson junctions, one has been able to construct quantum systems with discrete energy levels similar to atoms [2]. The engineered nature of these artificial atoms enables the adjusting of their properties in the fabricating process, or even during the measurement. Also, the coupling of these atoms to electric resonators has led to theoretical concepts analogous to those in cavity-QED. Therefore, these systems have been dubbed as circuit-QED [3, 4].

One intriguing proposal has been to use the artificial atoms as quantum bits, or qubits, in the foreseen quantum computer. The circuit nature of the Josephson devices makes it relatively easy to couple multiple qubits together, a feature lacking from many of the other suggested qubit candidates. As a downside, the undesired coupling to the environment is also strong leading to short decoherence times of the superconducting qubit realisations. Nevertheless, the progress in the field has been fast recently and there have been already reports on storing and moving quantum information between two qubits via resonator behaving as a quantum bus [5, 6], and on entanglement between three qubits [7, 8].

In our theoretical research [9-12], we have studied a special kind of realization of the circuit-QED. It consists of a superconducting charge-flux qubit coupled to a lumped LC-resonator. The charge-flux qubit is formed by a single-Cooper pair transistor (SCPT) in which a superconducting island is coupled to the rest of the circuitry via two Josephson junctions. The charge on the island is the relevant quantum degree of freedom that can be changed only by discrete amounts of Cooper pairs (with charge 2e, where e is the elementary charge). In the two-state approximation, the SCPT can be described with just two charge states differing by one Cooper pair. The properties of the charge-flux qubit can be controlled with the polarization charge, induced on the island via a gate capacitance, and with magnetic flux that controls the superconducting phase difference across the device, whence the name originates. Driving of the qubit can be induced via the charge [9] or flux [10] variables.

It has been proposed that the qubits in the quantum computer could be controlled with time-dependent drive fields. In this respect, it is important to study the effects of driving on the circuit-QED system. Our research includes the studies on the energy flow between the resonator and the driven qubit [9] and on the influence of the strong driving on the level splitting of the qubit [10]. The work has been done in collaboration with the experimental group from the Low Temperature Laboratory of Aalto University.





The single-Cooper-pair transistor (SCPT).




Three lowest eigenenergies of SCPT. The dashed lines indicate the energies of the charge states. The bands denote the allowed energy values controlled by the external magnetic flux.


Vibronic Spectroscopy of an Artificial Molecule[9]

We have performed microwave reflection experiments on a charge-phase qubit coupled to an LC oscillator. We find that the system behaves like an artificial molecule showing vibronic sideband transitions. The reflected signal is determined by a combination of the Franck-Condon principle and resolved-sideband cooling or heating of the oscillator.



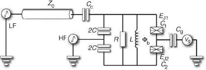
Fig. 1. The circuit diagram shows the SCPT and the LC oscillator connected in parallel. The resistance R represents the ac dissipation of the capacitors as well as of other parts of the circuit. The artificial molecule is biased by a gate voltage and an external magnetic flux. The low-frequency drive (LF) is applied through a transmission line via a lumped element coupling capacitor.



Fig. 2. The potential energy and energy eigenstates in the artificial molecule (1). (a) The total potentials U (solid curves) are formed as a sum of qubit energy (dashed line) and a harmonic vibrational potential. The bars represent the energy differences corresponding to the drives of low- and high-frequency, LF and HF, respectively. (b) A close-up at the lowest eigenstates together with wave functions (shaded areas). The strongest transitions according to the Franck-Condon principle are shown by arrows and are labeled by the change of vibrational quanta k.



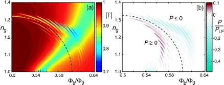
Fig. 3. Measured spectrum of the artificial molecule. The absolute value of the reflection coefficient as a function of the bias point in the flux-charge plane. The color bar gives the scale. The dashed arch indicates the pure electronic transition.



Fig. 4. Simulated properties of the artificial molecule. (left) The reflection amplitude calculated as a function of the bias point in the flux-charge plane. The parameters correspond to the measurement plotted in Fig. 3. (right) The energy flow from the qubit to the resonator showing damping for lower sideband transitions (blue) and amplification for the upper sideband transitions (red).


Stark Effect and Generalized Bloch-Siegert Shift in a Strongly Driven Two-Level System[10]

A superconducting qubit was driven in an ultrastrong fashion by an oscillatory microwave field, which was created by coupling via the nonlinear Josephson energy. The observed Stark shifts of the "atomic" levels are so pronounced that corrections even beyond the lowest-order Bloch-Siegert shift are needed to properly explain the measurements. The quasienergies of the dressed two-level system were probed by resonant absorption via a cavity, and the results are in agreement with a calculation based on the Floquet approach.



Fig. 1. Schematic of the experimental setup. (a) The single-Cooper-pair transistor qubit consists of a superconducting loop interrupted by two Josephson junctions that separate a small island. The two relevant charge states correspond to zero or one extra Cooper pairs on the island; (b) Except near the anticrossings, the energy eigenvalues depend nearly sinusoidally on the applied flux. The flux is driven likewise sinusoidally in time; (c) Detailed view of the circuit shows the microwave reflectometry readout via an LC resonator formed by on-chip lumped circuit elements.



Fig. 2. Calculated quasienergies as a function of the bias flux. The fully dressed states (red solid lines) are the eigenvalues of the Floquet matrix. The vertical green and blue arrows denote transitions induced by a probe field. We also show the quasienergies of the bare states (dotted lines) and longitudinally dressed states (dashed lines).



Fig. 3. The landscape of the quasienergy splitting calculated from the Floquet matrix with the experimental parameters. The k-photon Rabi resonances appear as light (odd k) or dark (even k) tracks that are marked by index k at small and curve to the right with increasing flux amplitude. Fig. 2 shows a cut along the horizontal line denoted by the black arrow. The blue and green lines denote the resonances with the probe field. The solid dots are the experimental resonances picked up from the measurement data.



Fig. 4. The shift of the spectral line due to the qubit driven by a strong field. The data points for the curve are picked from the resonance lines in Fig. 3 marked with A. The theoretical curves were produced with the rotating-wave approximation (red line), or with the full numerical result (green). We show also the counterrotating Bloch-Siegert correction to the RWA result (blue).

References

  1. R. J. Schoelkopf and S. M. Girvin, Nature 451, 664 (2008).

  2. J. Q. You and F. Nori, Physics Today 58 (11), 42.

  3. A. Blais et al., Phys. Rev. A 69, 062320 (2004).

  4. A. Wallraff et al., Nature 431, 162 (2004).

  5. M. A. Sillanpää et al., Nature 449, 438 (2007).

  6. J. Majer et al., Nature 449, 443 (2007).

  7. M. Neeley et al., Nature 467, 570 (2010).

  8. L. DiCarlo et al., Nature 467, 574 (2010).

Publications

  1. David Gunnarsson, Jani Tuorila, Antti Paila, Jayanta Sarkar, Erkki Thuneberg, Yuriy Makhlin, and Pertti Hakonen, Vibronic Spectroscopy of an Artificial Molecule, Physical Review Letters 101, 256806 (2008).

  2. Jani Tuorila, Matti Silveri, Mika Sillanpaa, Erkki Thuneberg, Yuriy Makhlin, and Pertti Hakonen, Stark Effect and Generalized Bloch-Siegert Shift in a Strongly Driven Two-Level System, Physical Review Letters 105, 257003 (2010).

  3. Jani Tuorila and Erkki Thuneberg, Energy Flow in a Dispersive Qubit Read-Out, Journal of Physics: Conference Series 150, 022092 (2009).

  4. Antti Paila, Jani Tuorila, Mika Sillanpää, David Gunnarsson, Jayanta Sarkar, Yuriy Makhlin, Erkki Thuneberg, and Pertti Hakonen, Interband Transitions and Interference Effects in Superconducting Qubits, Quantum Information Processing 8, 245 (2009).

  5. Jani Tuorila, On Charge Detection with Inductive Superconducting Single Electron Transistor, M. Sc. Thesis.

  6. Jani Tuorila, Spectroscopy of Artificial Atoms and Molecules, Ph. D. Thesis.


Back to theory page

22. 2. 2011, Jani Tuorila